HomeDesign Services FPGA Boards FMC ModulesIP CoresZ-RAY Modules AccessoriesOnline StoreHow To BuyAbout UsDesign ToolsSearch

 

FPGA Boards Selection Guide

FMC Modules Selection Guide


Product Updates
 

              

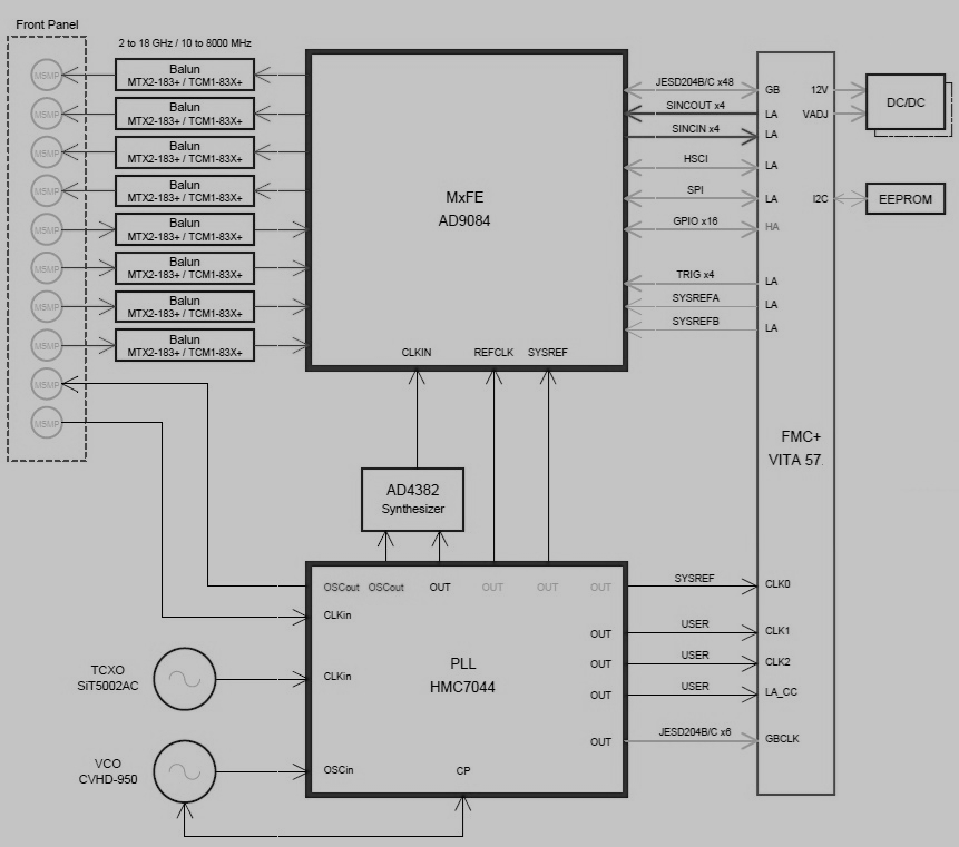
Apollo MxFE Quad, 16-Bit, 28GSPS RF DAC /  Quad, 12-Bit, 20 GSPS RF ADC  (AD9084)
 

       

 

 The FMC-AD9084 is a high-performance, FMC-compliant RF transceiver module built around the Analog Devices AD9084 Apollo MxFE™ architecture. Designed for seamless integration with both AMD (Xilinx) and Altera FPGA carrier boards, this module enables rapid development of next-generation wideband RF systems requiring direct RF sampling, high channel density, and deterministic low-latency data paths.

At the core of the module is a highly integrated mixed-signal front end combining:

  • -Quad 16-bit RF DACs with sampling rates up to 28 GSPS
  • -Quad 12-bit RF ADCs with sampling rates up to 20 GSPS
  • -Direct RF sampling capability with analog bandwidth extending to ~18 GHz

This 4T4R architecture supports simultaneous transmit and receive operation, enabling complex multi-channel systems such as phased arrays, electronic warfare platforms, and wideband communication infrastructure.

The FMC-AD9084 incorporates extensive on-chip DSP resources to reduce FPGA workload and optimize system efficiency:

  • -Integrated Digital Up/Down Converters (DUCs/DDCs)
  • -Programmable FIR filtering at full sample rates
  • -Numerically Controlled Oscillators (NCOs) for frequency translation
  • -Fractional resampling and multi-band operation modes

High-speed data transfer to the host FPGA is achieved through JESD204B/C interfaces supporting lane rates up to 28.21 Gbps, ensuring deterministic latency and synchronization across multiple devices.

.

AD9084 Parameters

-Reconfigurable mixed signal platform design
-x4 16-bit RF DACs and x4 12-bit RF ADCs (4T4R)
-Usable RF analog bandwidth to 18GHz
-Fast detect with low latency for fast AGC control
-Spectrum sniffer and monitor
-Signal monitor for slow AGC control
-Multiple loopback (ADC to DAC)
-Power amplifier downstream protection circuitry
-Maximum DAC/ADC sample rate up to 28GSPS/20GSPS
-Versatile digital features
-Maximum instantaneous bandwidth of 10GHz per channel (2T2R)
-Programmable FIR filters at full ADC and DAC sample rates
-Configurable fine and coarse DDCs and DUCs
-Fast frequency hopping with profiles
-Dynamic configuration through SPI, HSCI, GPIO, or external trigger (TRIG)
-Programmable fractional data rate resampler from 1× to 2×
-JESD204B and JESD204C: 20Gbps and 28.21Gbps

 
Features

Vita57.4 FMC+  Connector
x1 AD9084 device
Mini SMP RF Connectors
External ADC Clock
Balun option with MTX2-183+ (2-18 GHz) or TCM1-83X++ (10 -800 MHz) or TCM1-83X+

 

Ordering information

- Part Numbers:

HTG-FMC-AD9084

- Price: Please contact us

ECCN #: EAR99
SCHEDULE B #:
8471601050


SSMC TO SMA Cable  12"

SSMC TO SMA Cable  24"

SSMC TO SMA Cable  36"

 


FMC+ To FMC+ Flex Cable

 
 
Example HiTech Global's Vita 57 Compliant FPGA Carrier Boards (click for more)
 

 


HiTech Global's other Vita57.x Compliant FMC Daughter Cards

Vita 57.1 (FMC)
Quad 12-Bit (4 GSPS) ADC
Quad16-Bit (12 GSPS) DAC
More info..

Vita 57.4 (FMC+)
Single 12-bit ADC (10.25 GSPS)
Dual 16-bit DAC (12.6 GSPS)
More info...

Vita 57.1 (FMC)
Dual14-bit ADC (3 GSPS)
Dual 16-bit DAC (12.6 GSPS) 
More info..

Vita 57.4 (FMC+)
Quad 14-bit ADC (3 GSPS)
FMC+ Module
More info..

Vita 57.1 (FMC)
4-Channel 16-bit ADC (1 GSPS) FMC Module  More info..

Vita 57.4 (FMC+)
4-channel 16-bit DAC(2.8 GSPS)
More info..

Vita 57.1 (FMC)
2-channel 16-bit DAC (2.8 GSPS)
More info..

Vita57.1 (FMC) & Vita57.4 (FMC+ & FMC cables
More Info..

Vita 57.4 (FMC+)
x2 QSFP-DD (Double Density) FMC+ Module More Info..

Vita57.1 (FMC)
2-port QSFP28 / QSFP+ FMC Module More Info..

Vita 57.4 (FMC+)
4-port QSFP28/QSFP+ FMC+ Module More info..

Vita 57.4 (FMC+)
x6 FireFly (600G) FMC+ Module
More info...

Vita 57.4 (FMC+)
6-port QSFP28 / QSFP+ FMC+ Module  More info..

Vita 57.4 (FMC+)
CFP8 FMC+ Module
More info..




Vita57.1 (FMC)
 QSFP28 (100G) /LVDS
FMC Module More info..

Vita57.1 (FMC)
10-port SFP+(10x10G)  FMC Module  More info..

Vita57.1 (FMC)
x2 QSFP28 / SpaceWire/ LVDS
FMC Module  More info..

Vita57.1 (FMC)
QSFP28 SFP+ / QSE FMC Module
More Info..

Vita57.1 (FMC)
SFP+/  QSFP+ FMC Module

 More info..

Vita57.1 (FMC)
2-port QSFP+  FMC Module
More Info..

Vita 57.4 (FMC+)/Vita 57.1 FMC
I/O Loopback FMC/FMC+ / Clock Generator Module

More Info.. 

Vita 57.4 (FMC+)
Low-profile x4 FireFly FMC+
Right turn (when inserted)
More info..

Vita 57.4 (FMC+)
Low-profile x4 FireFly FMC+
Left turn (when inserted)
More info..

Vita 57.4 (FMC+)
4-port  OCuLink FMC+ Module
More info..

Vita57.1 (FMC)
3-port USB 3.0 FMC Module
More Info...

Vita57.1 (FMC)
42-channel RS485/RS422 FMC Module  More Info..

Vita57.1 (FMC)
X8 PCI Express Root Complex FMC Module More info.

Vita 57.4 (FMC+)
X16 PCI Express Root Complex FMC Module More info..

Vita57.1 (FMC)
4-channel RS485/RS422 FMC Module 
More Info..

Vita57.1 (FMC)
Quad RJ45 Ethernet FMC Module (SGMII) 
More Info..

Vita57.1 (FMC)
SFF-8639/Display Port/ SATA/ Ethernet / USB FMC Module
More info..

Vita57.1 (FMC)
26-port LVDS FMC Module
More Info..

Vita57.1 (FMC) & Vita57.4 (FMC+ & FMC cables

More Info..

Vita57.1 (FMC)

4-port SMA FMC Module
More Info..

Vita57.1 (FMC)

4-port SFP+ (4x10G) FMC Module  More Info..

Vita57.1 (FMC)
9-channel receiver/ 7-chanenl transmitter RS422 FMC Module
More Info..

Vita 57.4 (FMC+) / Vita57.1 (FMC)
FMC+ to FMC Splitter Module
More info..

Vita 57.4 (FMC+)

FPGA I/O Probing FMC+ Module
More info..

Vita57.1 (FMC)
8-port SMA / 33-pair LVDS FMC Module
More Info.
 

Vita 57.1(FMC)
x2 M.2 SSD FMC Module

More info..

Vita57.1 (FMC)

FMC to EXAMAX Backplane Conversion Module

Vita 57.4 (FMC+)
24-port  Mini SMP/GPPO
 / 34-pair LVDS FMC Module
More info..